
ブログ
すべてのコレクション





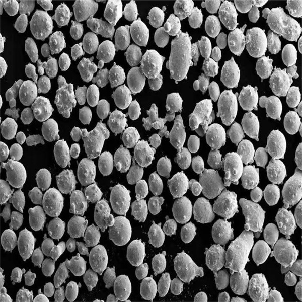
ガスアトマイズ金属粉
11月 24, 2023
ガスアトマイズ金属粉末の概要 ガスアトマイズ金属粉末は、溶融合金原料を高速不活性ガスジェットで噴霧化することにより製造される金属微粒子材料である。これにより、積層造形、金属射出成形、その他の用途に理想的な球状形態が得られます。ガスアトマイズの特徴続きを読む

インコネル3Dプリント部品
11月 24, 2023
インコネル3Dプリント部品の概要 インコネル3Dプリント部品は、積層造形(AM)法を使用してインコネル超合金粉末から製造された部品を指します。インコネル・グレードは、高強度と組み合わせた卓越した耐熱性と耐腐食性を提供し、航空宇宙、発電、およびその他の要求の厳しい用途に理想的に適しています。主な特性





ガスアトマイズ金属粉
11月 24, 2023
コメントはまだありません
ガスアトマイズ金属粉の概要 ガスアトマイズ金属粉とは、溶融合金原料を高速不活性ガスで噴霧化することにより製造される金属微粒子材料である。

インコネル3Dプリント部品
11月 24, 2023
コメントはまだありません
インコネル3Dプリント部品の概要 インコネル3Dプリント部品は、積層造形(AM)法を使用してインコネル超合金粉末から製造された部品を指します。インコネルのグレード
中国・青島に本社を置く積層造形ソリューションの大手プロバイダー。